-
- Tổng tiền thanh toán:
Vinapump JSC trân trọng gửi tới quý khách hàng cách hướng dẫn lắp đặt và sử dụng bơm màng
- Hướng dẫn sử dụng
• Không được tác động nhằm thay thế, chı̉nh sửa van hoặc bất kı̀ các thiết bị nào của bơm khi bơm đang vận hành.
• Vận hành đột ngột hoặc sai quy trı̀nh có thể dẫn đến chấn động hệ thống do áp lực tăng đột ngột (hệ thống van phải được vận hành bởi thợ kỹ thuật được đào tạo chuyên ngành)
• Trong trường hợp thay đổi chất bơm phải tháo toàn bộ lưu chất bơm cũ kết hợp với rửa sạch hoàn toàn buồng
bơm.
• Cách ly bơm và tháo hết lưu chất bơm khỏi buồng bơm khi nhiệt độ kết tủa/đóng băng của lưu chất bơm bằng
hoặc thấp hơn nhiệt độ môi trường hoạt động.
• Ngừng bơm nếu nhiệt độ chất bơm vượt quá nhiệt độ tối đa cho phép được ghi trong mục CHÚ THÍCH CHUNG;
nếu nhiệt độ vượt quá 20% cần tiến hành kiểm tra tı̀nh trạng của từng bộ phần bơm.
• Trong trường hợp phát hiện rò rı̉, cần tiến hàng ngừng bơm và đóng các van.
• Tham khảo ý kiến của nhà cung cấp lưu chất bơm để tı̀m biện pháp phòng chống cháy nổ phù hợp nhất.
• Vệ sinh bơm định kı để tránh đóng cặn trong buồng bơm đặc biết là đối với các chất có xu hướng kết tủa. ̀
• Phải sử dụng dung môi thı́ch hợp khi rửa bơm. Tuyệt đối không sử dụng nước trừ khi nước là dung môi thı́ch hợp
với hóa chất cần rửa.
- Hướng dẫn lắp đặt
• Chắc chắn rằng không có lẫn khı́ trong lưu chất bơm. Nếu có phải dừng bơm.
• Để tối ưu khả năng tự mồi của bơm, hệ thống dẫn động bằng khı́ nén cần được làm kı́n tuyệt đối.
• Vệ sinh hệ thống trước khi lắp đặt bơm.
• Trước khi vận hành, phải loại bỏ các phần nắp đậy, tem niêm phong và các phụ kiện ngoại vi không cần thiết.
• Kiểm tra lại các ốc vı́t trên bơm. Phải xiết chặt theo đúng mô men xoắn khuyến cáo nếu cần.
• Bơm được đặt theo phương nằm ngàng, cổng xả luôn được đặt ở phı́a trên (Chú ý mũi tên chı̉ hướng trên vỏ bơm)
• Đặt bơm trên mặt phẳng vững chắc, gần nguồn lưu chất bơm cần bơm nhất có thể.
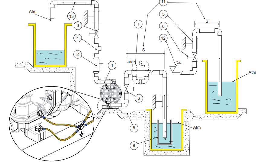
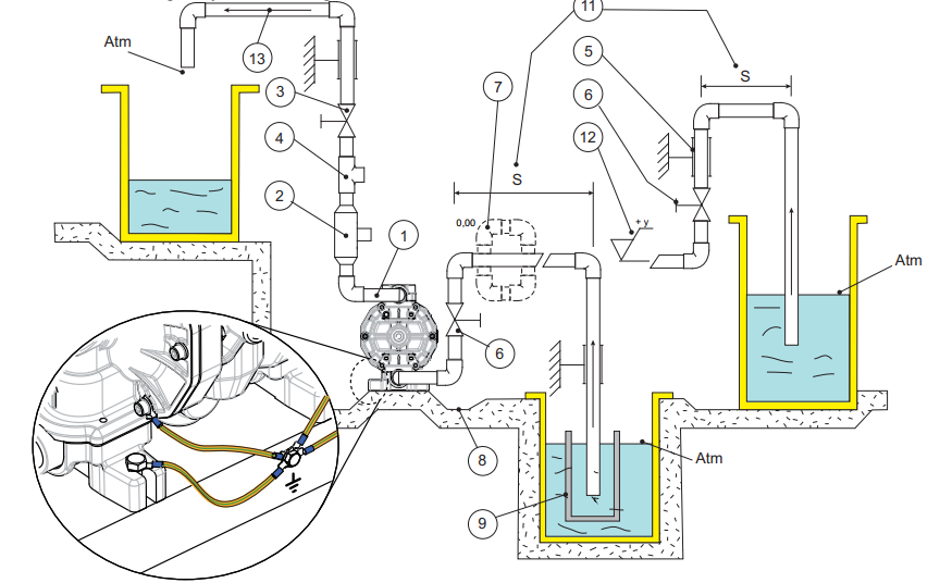
1. Sử dụng các giải pháp được chı̉ ra trong sơ đồ sau:
2. SỬ DỤNG thiết bị đầm dòng.
3. SỬ DỤNG van cửa (van cổng) để đóng/mở tại đường ống xả.
4. CÓ vị trı́ lắp đặt cho đồng hồ đo hoặc công tắc bảo vệ áp lực
5. SỬ DỤNG thiết bị phụ trợ giúp gia cố hệ thống ống.
6. SỬ DỤNG van ngắt tại đường ống hút.
7. KHÔNG lắp đặt đường ống khúc khuỷu lên xuống. Đường ống phải
được lắp đặt dạng tuyến tı́nh.
8. PHẢI CÓ hệ thống rãnh thoát nước xung quanh đế bơm.
9. SỬ DỤNG lưới lọc cứng, rộng trong trường hợp bể húp ko có nắp
đậy.
10. LẮP ĐẶT các khớp nối ngang với khoảng cách ngắn nhất có thể để
tránh đọng khı trong đường ống. ́
11. Mọi đường ống phải có xu hướng dốc về bơm.
12. Vận tốc dòng chảy tối đa ở cổng xả 3,5 m/s.

• Đảm bảo có hệ thống thoát lưu chất bơm trong trường hợp bị rò rı̉ ra từ bơm
• Cố định bơm qua những lỗ hỗ trợ có sẵn dưới phần đế bơm. Tất cả những vị trı́ bắt chốt phải bằng phẳng.
• Đảm bảo không gian xung quanh và bên trên bơm cho quá trı̀nh vận chuyển, lắp đặt.
• Sử dụng nhãn màu sắc đúng tiêu chuẩn để đánh dấu những chất bơm nguy hiểm.
• Không được lắp đặt bơm (được làm từ vật liệu nhựa) gần nguồn nóng.
• Không được lắp đặt bơm ở nơi có nguy cơ bị vật rắn hay chất lỏng rơi vào.
• Không được lắp đặt bơm ở nơi làm việc hoặc khu vực thăm quan.
• Sử dụng thiết bị bảo vệ cho bơm và người vận hành nếu cần. Trong trường hợp màng bơm bị rách, lưu chất bơm
có thể bị phun ra không khı́ qua đường xả khı́ nén.
• Nếu lắp đặt hệ thống bơm song song, tất cả các bơm trong hệ thống phải giống nhau.
• Bơm luôn luôn phải được nối đất
• Nếu bơm được làm từ vật liệu dẫn điện nhưng phù hợp cho bơm lưu chất dễ cháy nổ thı̀ phải được nối đất bằng
cáp phòng chống cháy nổ thı́ch hợp.
• CẢNH BÁO: Mọi bơm đều phải được nối. Mọi đảm bảo về an toàn và bảo vệ cháy nổ chı̉ chı́nh xác khi thiết bị
được nối đất đúng kỹ thuật.
- KHỞI ĐỘNG
• Kiếm tra để chắc chắn rằng đã thực hiện đúng những gı̀ được nêu ở phần LẮP ĐẶT.
• Chắc chắn rằng hệ thống cung cấp khı nén đã được kết nối đúng tiêu chuẩn kỹ thuật.
• Mở van nạp, van phân phối khí nén của hệ thống cung cấp khí nén
• Mở van 3 ngả trên hệ thống khí nén.
• Thiết lập điểm hoạt động yêu cầu cho máy bơm: Điều chınh đúng áp suất khí nén cần cung cấp cho bơm. Áp suất
khı nén thấp hơn 2 bar bơm có thể sẽ không hoạt động, áp suất khí nén cao hơn 7 bar có thể dẫn đến hỏng bơm
hoặc ảnh hưởng đến quá trınh hoạt động do vượt quá ngưỡng chịu đựng của bơm.
• Đối với bơm có cổng hút xả riêng biệt cho mỗi buồng bơm dành cho nhu cầu bơm 2 loại lưu chất bơm khác nhau
thı hai chất bơm đó phải có cùng độ nhớt. Nếu hai lưu chất bơm có giá trị độ nhớt quá chênh lệch có thể sẽ d ̀ ẫn
tới sự cố hỏng màng bơm hoặc bơm không thể hoạt động.
• Không để bơm hoạt động tại lưu lượng, cột áp cực đại.
• Chắc chắn rằng không có sự rung lắc hoặc tiếng ồn bất thường do kết cấu bơm có sự đàn hồi (Đối với bơm vật
liệu nhựa), do xiết ốc quá lỏng/chặt hoặc do khı xâm thực...
• Dừng bơm sau 2 giờ đồng hồ hoạt động để kiểm tra lại toàn bộ ốc vı́t trên bơm.
- SỬ DỤNG
• Không tác động (Đóng/mở) vào các van cũng như các thiết bị phụ trợ khi bơm đang hoạt động.
• Hoạt động đột ngột hoặc sai quy trı̀nh có thể gây ra chấn động đường ống (Van phải được điều khiển bởi kỹ thuật
viên có chuyên môn)
• Luôn luôn tháo hết lưu chất bơm cũ và vệ sinh buồng bơm khi thay đổi sang lưu chất bơm khác.
• Cách ly hoặc tháo hết lưu chất bơm nếu nhiệt độ kết tinh của lưu chất bơm bằng hoặc cao hơn nhiệt độ môi
trường.
• Dừng bơm nếu nhiệt độ lưu chất bơm vượt quá nhiệt độ cho phép. Nếu nhiệt độ vượt 20% nhiệt độ cho phép, cần kiểu tra tı̀nh trạng các bộ phân tiếp xúc với lưu chất bơm.
• Dừng bơm và đóng các van nếu phát hiện rò rı̉.
• Lưu ý: Trong trường hợp rửa bơm, chı sử dụng các dung môi phù hợp cho lưu chất bơm cần được rửa. Nước đôi
khi cũng ko phải dung môi phù hợp.
• Tham khảo khuyến cáo của đơn vị cung cấp lưu chất bơm để có phương án phòng ngừa cháy nổ phù hợp nhất.
• Cần tháo hết lưu chất bơm khỏi buồng bơm trong trường hợp không sử dụng bơm thời gian dài đặc biệt với lưu
chất bơm có xu hướng kết tủa.
NGỪNG HOẠT ĐỘNG
Để dừng bơm, chỉ việc đóng van cung cấp khí nén cho bơm.
CHÚ Ý: Tuyệt đối không được dừng bơm bằng cách đóng cổng hút hoặc xả của bơm.
Nếu quý khách có nhu cầu sử dụng cũng như muốn tìm hiểu kỹ lưỡng về các loại bơm màng khó nén vui lòng liên hệ :
CÔNG TY CỔ PHẦN MÁY BƠM VIỆT NAM
Địa chỉ : Số 29-TT9 KĐT Văn Phú, Phường Phúc La, Quận Hà Đông, Hà Nội
Số điện thoại: 0961 476 288
Email: Sale@cungcapmaybom.vn
Website : https://www.cungcapmaybom.vn
Bài viết liên quan: