- 
		
- Tổng tiền thanh toán:
 
 
		
		1. MỤC ĐÍCH CỦA TỦ ĐIỀU KHIỂN BƠM TĂNG ÁP
Trong hệ thống cấp nước cho các hộ gia đình hay các tòa nhà cao tầng việc giữ được áp suất và lưu lượng của dòng nước trong hệ thống đường ống là điều rất quan trọng, để đảm bảo áp suất và lưu lượng nước trong đường ống luôn ổn định tại một giá trị mong muốn đó thì giải pháp là sử dụng một hệ thống bơm nhằm đáp ứng các yêu cầu về áp suất và lưu lượng của dòng nước trong đường ống. Nhưng một số vấn đề nảy sinh trong quá tình sử dụng là nhu cầu sử dụng nước vào từng thời điểm trong ngày là khác nhau và thay đổi liên tục. Vào những giờ cao điểm thì sử dụng nhiều còn lại vào những giờ thấp điểm thì sử dụng rất ít, chính vì vậy tủ điều khiển bơm tăng áp đã được thiết kế để giải quyết vấn đề này.
 
2. CÁC CHỨC NĂNG CỦA TỦ ĐIỀU KHIỂN BƠM TĂNG ÁP
     - Dễ dàng giám sát áp suất nước trên đường ống và cài đặt thông số áp suất mong muốn.
     - Đóng cắt an toàn, bảo vệ và cảnh báo các nguy hiểm đối với động cơ ( Như quá tải, Lỗi điện áp, mức nước thấp…).
    - Tích hợp các chức năng thông minh nhằm giúp việc vận hành trở nên dễ dàng, thuận tiện và an toàn cho người vận hành.
3. NGUYÊN LÝ VẬN HÀNH CỦA TỦ ĐIỆN ĐIỀU KHIỂN BƠM TĂNG ÁP
     Một hệ bơm tăng áp có thể có  1, 2 hoặc nhiều bơm, nhưng nguyên lý hoạt động thì giống nhau. Tủ điều khiển bơm tăng áp do bên  VINAPUMP chế tạo sẽ hoạt động theo 2 chế độ sau:
      - Chế độ điều khiển bằng tay : Trong chế độ điều khiển bằng tay việc điều khiển bơm bật tắt sẽ được thực hiện thông qua các nút ấn ở trên mặt tủ
     - Chế độ điều khiển tự động : Trong chế độ điều khiển tự động việc điều khiển bơm bật và tắt sẽ được thực hiện hoàn toàn tự động theo mức áp suất mong muốn duy trì và theo chương trình đã được lập trình sẵn.
Nguyên lý hoạt động của Tủ điện điều khiển bơm tăng áp cho hệ 2 bơm trong chế độ Auto như sau:


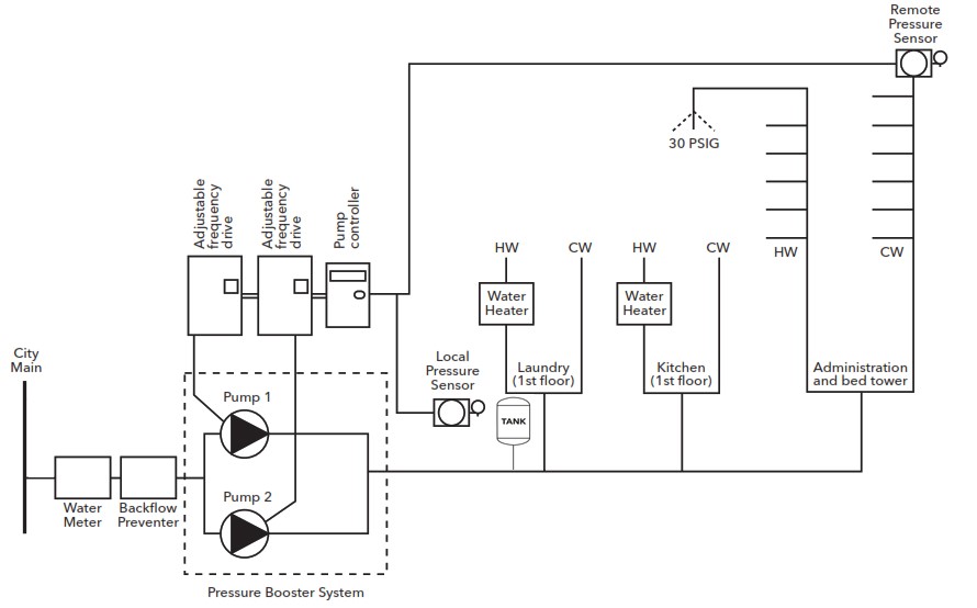
Hình 2 : Sơ đồ nguyên lý hoạt động của tủ điều khiển bơm tăng áp
A. Khi nhu cầu nước chỉ cần 1 bơm là đáp ứng được thì hệ thống hoạt động theo chế độ luân phiên (Individualalternativeoperation)
     (1)  Khi áp suất nước trong đường ống giảm xuống và tín hiệu sensor trên đường ống báo về tủ mức áp suất trên đường ống thấp thì bơm 1 sẽ khởi động và tăng tốc độ quay để duy trì mức áp suất đã cài đặt.
(4) Sau Khi nhu cầu sử dụng nước không còn , mức áp suất trong đường ống tăng lên đạt đến mức áp suất mong muốn và không giảm xuống nữa thì bơm 1 dừng hoạt động.
(5) Khi lại có nhu cầu sử dụng nước , mức áp suất trong đường ống giảm xuống và tín hiệu sensor báo về tủ thì bơm 2 sẽ được khởi động và tăng dần tốc độ để duy trì áp suất.
(8) Khi nhu cầu sử dụng nước không còn, và mức áp suất trong đường ống đã đạt đến áp suất mong muốn thì bơm 2 sẽ dừng hoạt động.
Hệ thống sẽ hoạt động theo thứ tự các bước từ (1) - (4) - (5) - (8) để duy trì áp suất nước trong hệ thống khi nhu cầu sử dụng nước 1 bơm có thể đáp ứng được.
B. Khi nhu cầu nước 1 bơm không đáp ứng được thì hệ thống hoạt động theo chế độ luân phiên và Tăng cường (Parallelalternativeoperation)
     (1) Khi áp suất nước trong đường ống giảm xuống và tín hiệu sensor trên đường ống báo về tủ mức áp suất trên đường ống thấp thì bơm 1 sẽ khởi động và tăng tốc độ quay để duy trì mức áp suất đã cài đặt.
(2) Khi mức áp suất trên đường ống chưa đạt đến mức áp suất đặt và tốc độ chạy của bơm 1 đạt đến tốc độ tối đa thì bơm 2 sẽ khởi động và tăng tốc độ chạy cùng bơm 1 để duy trì mức áp suất của đường ống.
(3) Khi áp suất trên đường ống đạt đến mức áp suất mong muốn duy trì thì bơm 2 sẽ dừng hoạt động . Lúc này chỉ có bơm 1 hoạt động để duy trì áp suất trên đường ống.
(4) Khi không còn nhu cầu sử dụng nước, mức áp suất của đường ống ổn định tại mức áp suất cài đặt mong muốn lúc này bơm 1 sẽ dừng hoạt động.
(5) Khi lại tiếp tục có nhu cầu sử dụng nước, mức áp suất trên đường ống giảm xuống và tín hiệu của sensor áp suất trên đường ống báo tín áp suất thấp về tủ điều khiển thì bơm số 2 sẽ khởi động và tăng tốc để duy trì áp suất trên đường ống.
(6) Khi bơm 2 đã chạy tốc độ tối đa nhưng áp suất trên đường ống vẫn chưa đạt được mức áp suất cài đặt mong muốn, thì bơm số 1 sẽ khởi động và tăng tốc để chạy cùng bơm 2 duy trì áp suất trên đường ống.
(7) Khi áp suất nước đạt và duy trì tại mức áp suất mong muốn và không bị thay đổi thì bơm số 1 sẽ dừng hoạt động . Lúc này chỉ còn bơm số 2 chạy để duy trì áp suất trên đường ống.
(8) Khi nhu cầu sử dụng nước không còn, và mức áp suất trong đường ống đã đạt đến áp suất mong muốn thì bơm 2 sẽ dừng hoạt động.
Hệ thống sẽ hoạt động theo thứ tự các bước từ (1) - (2) - (3) - (4) - (5) - (6) - (7) - (8) để duy trì áp suất nước trong hệ thống khi nhu cầu sử dụng nước thay đổi.




	Bài viết liên quan: