- 
		
- Tổng tiền thanh toán:
 
 
		
		Cảm ơn quý khách đã sử dụng sản phẩm máy bơm trục vít, hãng High Flow Equipments PVT Ltd - India. Máy bơm trục vít High Flow đã được thiết kế, sản xuất và thử nghiệm để có thể hoạt động lâu dài, trơn tru và không gặp sự cố. Để có được hiệu suất tốt nhất của thiết bị, chúng tôi yêu cầu bạn đọc và nghiên cứu kỹ hướng dẫn sử dụng trước, trong và sau khi lắp đặt máy bơm. Hướng dẫn này là một phần thiết yếu của thiết bị và phải luôn luôn sẵn sàng mỗi khi cần được sử dụng. Nếu bạn có bất kỳ nghi ngờ hoặc thắc mắc nào, xin vui lòng liên hệ với đại lý hoặc trung tâm dịch vụ gần nhất của chúng tôi. Các kỹ sư giàu kinh nghiệm của chúng tôi sẽ sẵn lòng cung cấp cho bạn lời khuyên chuyên môn, nếu bất kỳ cân nhắc nào trên đây bị bỏ qua, sự an toàn về người và máy bơm có thể bị đe dọa. Chi tiết liên lạc của chúng tôi được đề cập ở phần cuối của hướng dẫn này.


HƯỚNG DẪN LẮP ĐẶT BƠM TRỤC VÍT ĐƠN
TỔNG QUÁT
Trước khi tiến hành công việc bảo trì, lắp đặt cần phải đảm bảo các điều kiện chung sau:
- Phải có hệ thống thông gió đầy đủ để phân tán khí, hơi nguy hiểm khi bơm đang xử lý vật liệu độc hại hoặc gây khó chịu.
 - Ánh sáng phải được cung cấp đầy đủ để đảm bảo công việc diễn ra an toàn và hiệu quả.
 - Việc sử dụng với một số sản phẩm cụ thể có thể cần một đường ống để xả lưu chất từ máy bơm để dễ dàng và đơn giản hóa việc bảo trì.
 - Cần sắp xếp phù hợp để xử lý việc thoát nước từ phớt làm kín dạng hộp chèn.
 - Phải có đủ không gian để tháo dỡ máy bơm theo bản vẽ kích thước của máy bơm (tham khảo bản vẽ kích thước kèm theo.)
 
I .MỤC ĐÍCH SỬ DỤNG
Máy bơm chỉ được lắp đặt để phục vụ các mục đích sử dụng phù hợp với vật liệu cấu tạo của bơm; lưu lượng, áp suất, độ nhớt, nhiệt độ, tỉ trọng, vật rắn ... phù hợp với thiết kế của High Flow. Nếu mục đích sử dụng thay đổi, nên thực hiện theo các khuyến cáo, chỉ dẫn của High Flow để đảm bảo lợi ích và an toàn của khách hàng cũng như đảm bảo hiệu suất và tuổi thọ máy bơm.
II. THÁO DỠ VÀ VẬN CHUYỂN
- Lưu ý khi tháo dỡ
 
- Ngắt nguồn điện khỏi bơm
 - Cuộn và giữ cáp điện
 - Tháo bỏ đường ống
 - Tháo bulong móng của máy bơm
 
- Lưu ý khi vận chuyển
 
  
Hình 1: Nâng hạ máy bơm
- Khi nâng hạ bơm, sử dụng các thiết bị nâng hạ phù hợp, sử dụng cần cẩu (hoặc Pa lăng) và các dây cáp phù hợp. Kiểm tra vị trí và độ chắc chắn của dây cáp để bơm không bị mất thăng bằng. trái với điều này có thể dẫn đến rơi vỡ bơm và tai nạn nghiêm trọng.
 - Sử dụng vật nâng và cáp treo phù hợp khi máy bơm hoặc bất kỳ thành phần nào của nó nặng hơn 20 kg. Tai móc của nửa thân trên hoặc thân ổ trục chỉ được dùng để nâng các bộ phần rời này. Khi nâng toàn bộ bơm không được sử dụng các móc này.
 - Tuyệt đối không được nắm dây cáp điện để kéo nâng hoặc kéo lê máy bơm.
 - Đặt những miếng lót mềm vào bề mặt tiếp xúc với các dây cáp để bảo vệ mặt sơn của máy bơm.
 - Vận chuyển máy bơm/thiết bị phải thật thận trọng, tránh các hỏng hóc cho đường ống phụ, van, đồng hồ đo và dụng cụ đo khác lắp đặt trên máy bơm/thiết bị.
 - Nâng hạ máy bơm với các thiết bị nâng hạ phù hợp với trọng lượng bơm, không được làm nghiêng quá lớn (khuyến cáo tối đa 200 đối với bơm có trọng lượng từ 20kg trở lên- hình 1)
 - Sau khi tháo dỡ, nếu bơm được giữ trong kho, phải đặt bơm ở phòng khô ráo, sạch sẽ, tránh các thay đổi lớn
 
A .  Phần cơ khí
•    Lưu ý chung trước khi lắp đặt
Vì sự an toàn của nhân viên vận hành và tuân thủ các yêu cầu theo luật định của các quốc gia khác nhau, đai truyền và khớp nối của bơm phải được lắp các thiết bị bảo vệ phù hợp. Một vài dòng bơm có thể sử dụng trục vít cấp liệu kết hợp với họng hút dạng phễu. Người vận hành không được tác động vào họng hút trong khi máy bơm đang hoạt động và phải lắp thiết bị dừng khẩn cấp gần đó.
1.    Luôn sử dụng van an toàn trên đường ống xả để đảm bảo an toàn cho hệ thống. Chỉ sử dụng hệ thống dẫn động trực tiếp lắp đồng trục để đáp ứng mô-men xoắn khởi động tối đa.
2.    Luôn luôn mồi bơm bằng lưu chất trước khi chạy bơm sau một thời gian dài không hoạt động để bôi trơn rotor và stato.
3.    Bơm phải được tháo ra trong khi kiểm tra vòng quay động cơ để tránh máy bơm bị chạy khô.
4.    Luôn cần sự tư vấn của chuyên gia trong trường hợp có bất kỳ thay đổi nào về thông số vận hành như nhiệt độ, độ nhớt, tỷ lệ chất rắn, thành phần chất lỏng, v.v.
5.    Luôn sử dụng phụ tùng chính hãng để có hiệu suất hoạt động cao nhất, đảm bảo độ bền cho bơm và các bộ phận khác trong hệ thống.
6.    Lắp ống đầu vào và ra theo tiêu chuẩn của bơm, khớp nối mềm chống rung cho bơm, hạn chế khí vào, thân bơm, trường hợp lắp bơm hút âm phải kín khí đường ống.
7.    Không vận hành bơm trục vít khi không có lưu chất trong buồng bơm và khi cửa ra bị đóng
8.    Khi tháo và lắp khớp nối truyền động, phớt của bơm phải tuân theo sách chỉ dẫn cho từng loại khớp, từng loại bơm
•    Lắp đặt
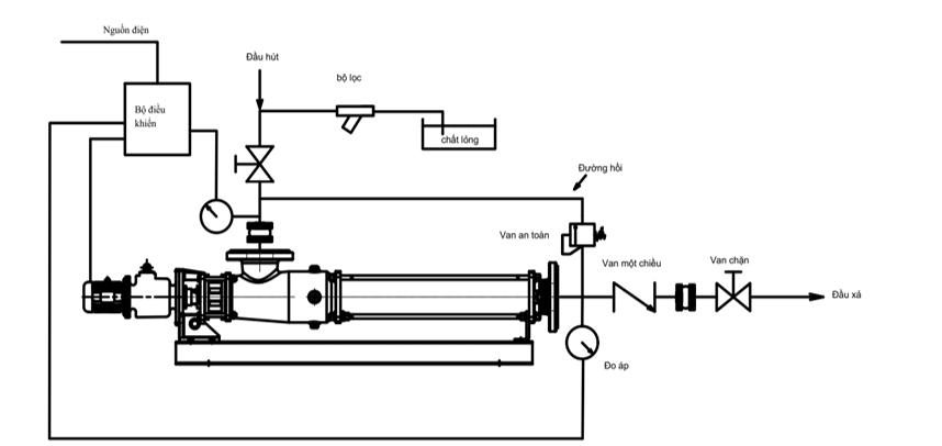
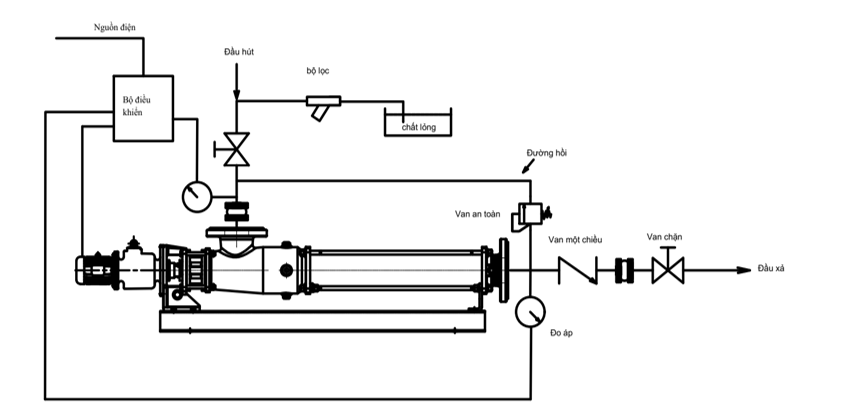
Ở giai đoạn thiết kế hệ thống, phải xem xét việc cung cấp van lọc và lắp đặt các van l một chiều và/hoặc van xả, van giảm áp, đường hồi…vv (hình 1)

                                           Hình 2: Sơ đồ hệ thống bơm đúng kỹ thuật
Bơm trục vít High Flow thường được lắp đặt ở vị trí nằm ngang với bệ được gắn trên một mặt phẳng ngang nền móng chắc chắn và được bắt bulong, đảm bảo cố định chắc chắn để giảm tiếng ồn và độ rung (hình 2)

                                            Hình 3: Đảm bảo độ đồng trục
Nếu máy bơm được gắn theo cách nào khác với mô tả ở trên, cần phải xác nhận và làm việc cụ thể với High Flow hoặc đơn vị đại diện gần nhất.
Thông thường, máy bơm trục vít High Flow nên được lắp đặt hệ thống dẫn động trực tiếp lắp đồng trục để đáp ứng mômen xoắn khởi động tối đa. Khi động cơ đang được nối dây và kiểm tra hướng quay, đảm bảo rằng động cơ không được ráp với máy bơm.
Đường ống đầu hút và xả cần to hơn cổng hút và xả của máy bơm (hình 6a, 6b)
 
                                            Hình 4a: lắp đường ống sai
 ----

                                               Hình 4b: lắp đường ống đúng 
Luôn phải có giá đỡ cho đường ống ở vị trí dễ tổn thương cơ học, có thể lắp khớp nối mềm vào hệ thống nếu đường ống chịu dao động rung lắc . 
 
                                                 hình 5: giá đỡ đường ống
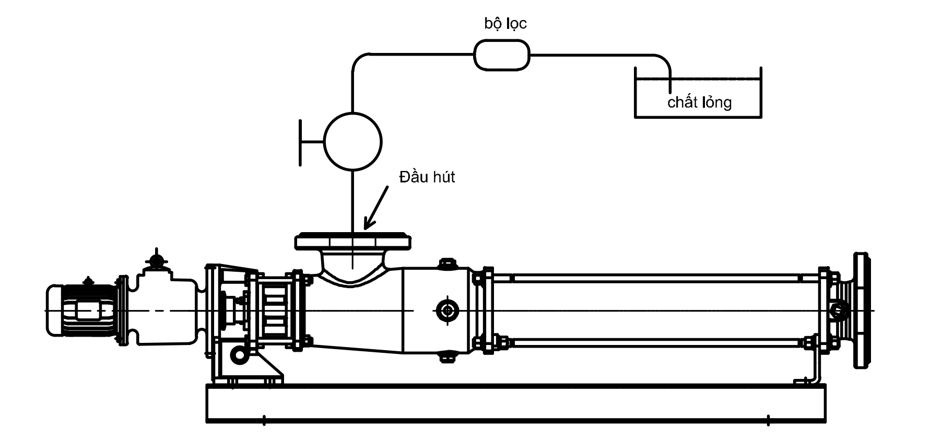
Một số trường hợp hút các chất lỏng có lẫn các chất rắn lớn hơn tiêu chuẩn cho phép của máy bơm thì cần lắp thêm bộ lọc ở đầu hút. 
 
                                                Hình 6: lắp bộ lọc đầu hút
Trường hợp bơm chất lỏng từ trong bình chứa, nên đặt bơm thấp hơn bình và gần nhất có thể, điều này sẽ làm tiết kiệm được công sức cũng như chi phí vận hành (hình 9)
 
                                               Hình 7: bơm chất lỏng từ trong bình chứa
Đơn vị cung cấp bơm trục vít uy tín chất lượng

Nếu bạn đang có ý định sử dụng máy bơm trục vít nhưng không biết chọn nơi nào uy tín để mua và lắp đặt. Nhằm giúp bạn có thể sử dụng được các loại bơm có chất lượng tốt nhất, chúng tôi xin giới thiệu đến bạn Công ty cổ phần máy bơm Việt Nam - VINAPUMPJSC.
Với nhiều năm kinh nghiệm trong lĩnh vực cung cấp máy bơm, chúng tôi cam kết chất lượng sản phẩm của chúng tôi luôn là sản phẩm chính hãng, đạt chuẩn quốc tế.
Bên cạnh đó, khi lựa chọn chúng tôi, quý khách hàng sẽ được tư vấn và hướng dẫn lắp đặt bơm trục vít một cách cụ thể nhất.
Ngoài ra, chúng tôi còn có nhiều ưu đãi và các chương trình bảo hành tốt nhất cho quý khách.

Để tư vấn, hỗ trợ thi công, thiết kế, lắp đặt và sử dụng bơm hiệu quả, quý khách hàng có thể liên hệ theo hotline 0936 250 333 - 0934 680 111 hoặc email: Sale@vinapumpjsc.com
CÔNG TY CỔ PHẦN MÁY BƠM VIỆT NAM VINAPUMPJSC
Trụ sở: CL26 Tiểu khu đô thị Nam La Khê - La Khê – 200 Quang Trung – Hà Đông – Hà Nội
Chi nhánh HCM: Số 9/2 Đường 22, Hiệp Bình Chánh,Thủ Đức, Hồ Chí Minh
☎️ Hotline: 0936 250 333
☎️ Hotline: 0934 680 111
📧 Email: sale@vinapumpjsc.com
🌐 Website:  https://www.hangcongnghiep.vn
🌐 Website: https://www.cungcapmaybom.vn
	Bài viết liên quan: